T0130411
* Download CAD file or product manual for larger image/text and more detail.
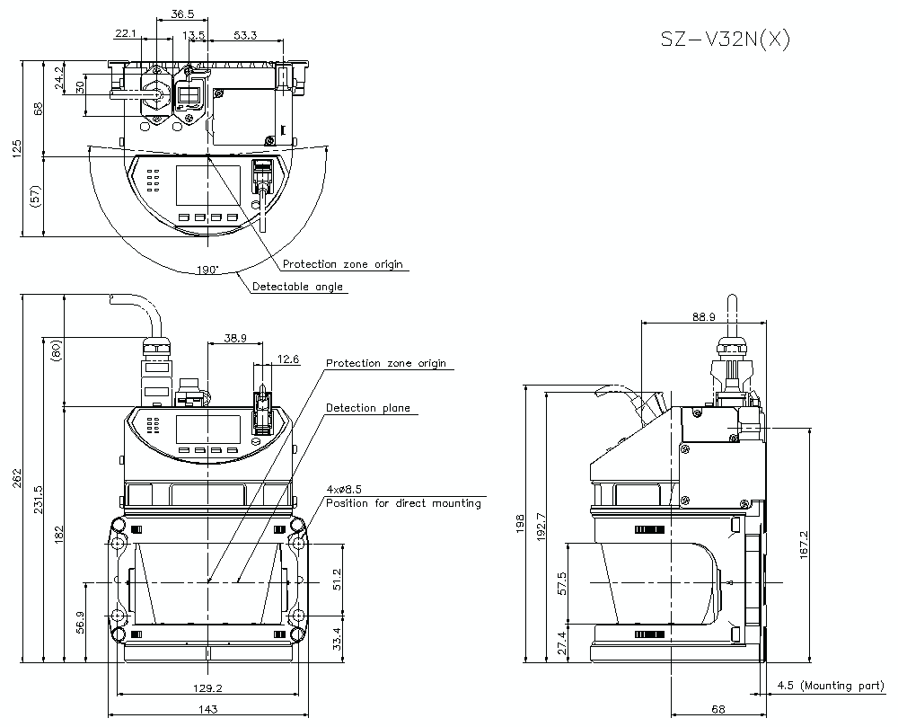
sz-v32n_x_v32n_dimension_01.gif
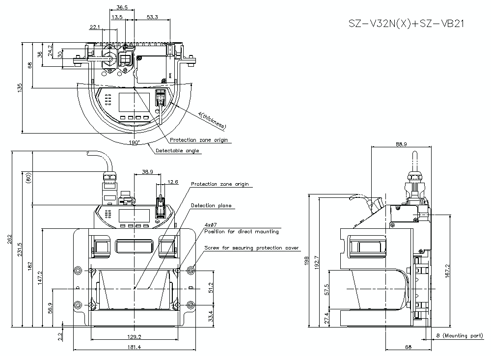
sz-v32n_x_vb21_dimension_01.gif