Dimensions

* Download CAD file or product manual for larger image/text and more detail.

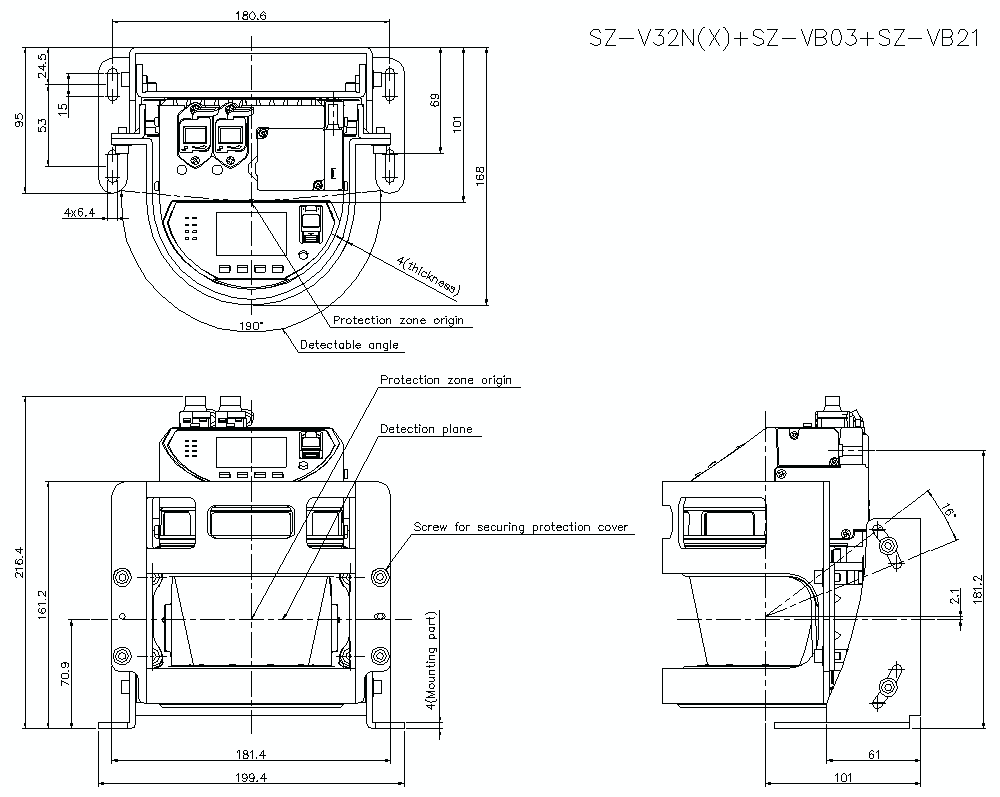
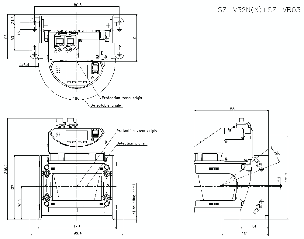
sz-v32n_x_vb03_dimension_01.gif

SZ-V32N/X/VB03 Dimension

szv04_32_b03_b21_dimension_01.gif

SZV04-32/B03/B21 Dimension

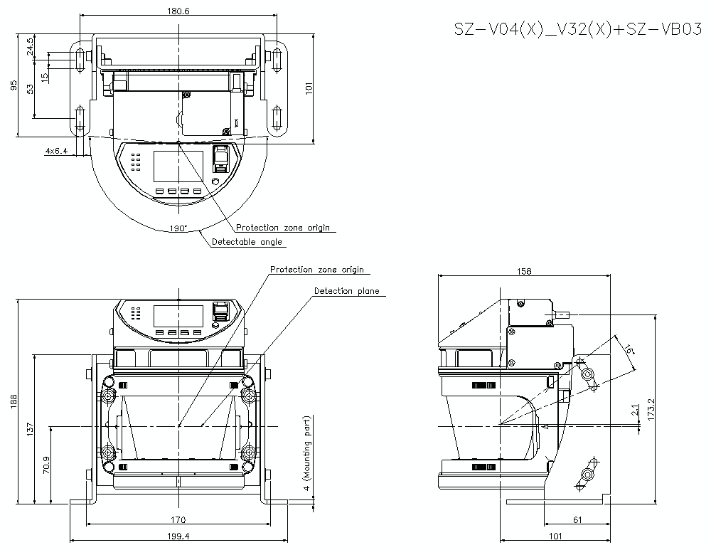
szv04_v32_x_vb03_dimension_01.gif

SZV04-V32/X/VB03 Dimension

szv32n_vb03_b21_dimension_01.gif

SZV32N-VB03/B21 Dimension

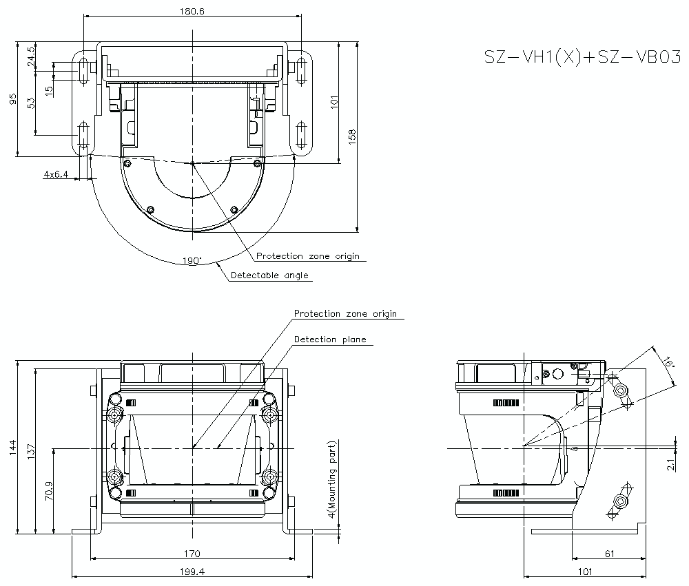
szvh1_vh1x_vb03_dimension_01.gif

SZVH1-VH1X/VB03 Dimension

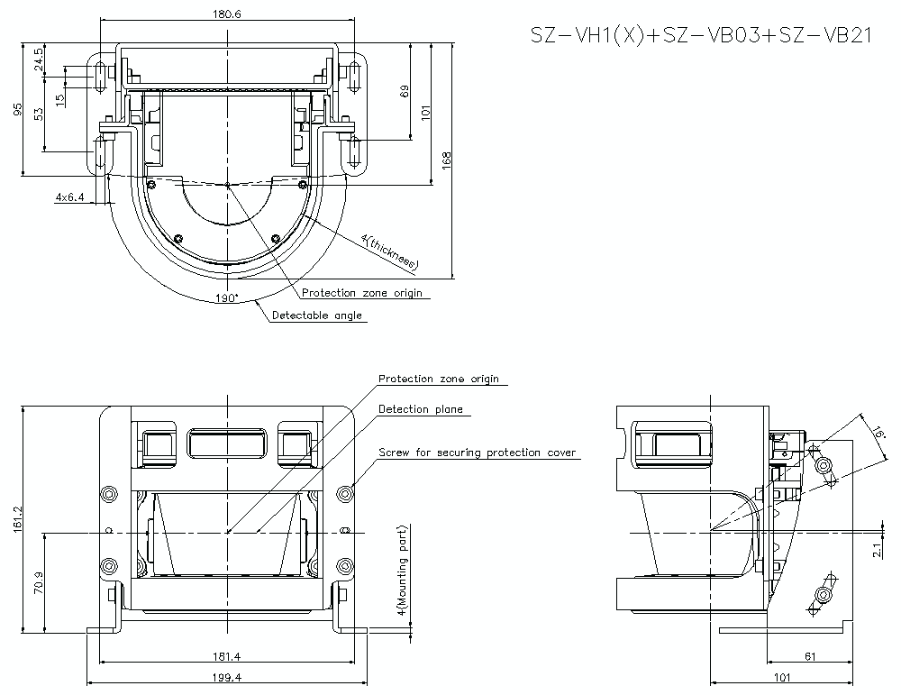
szvh1_x_vb03_21_dimension_01.gif

SZVH1-X/VB03/21 Dimension