* Download CAD file or product manual for larger image/text and more detail.

GS-1X Dimension

GS-1X/GS/B01_01 Dimension

GS-1X/GS/B01_02 Dimension

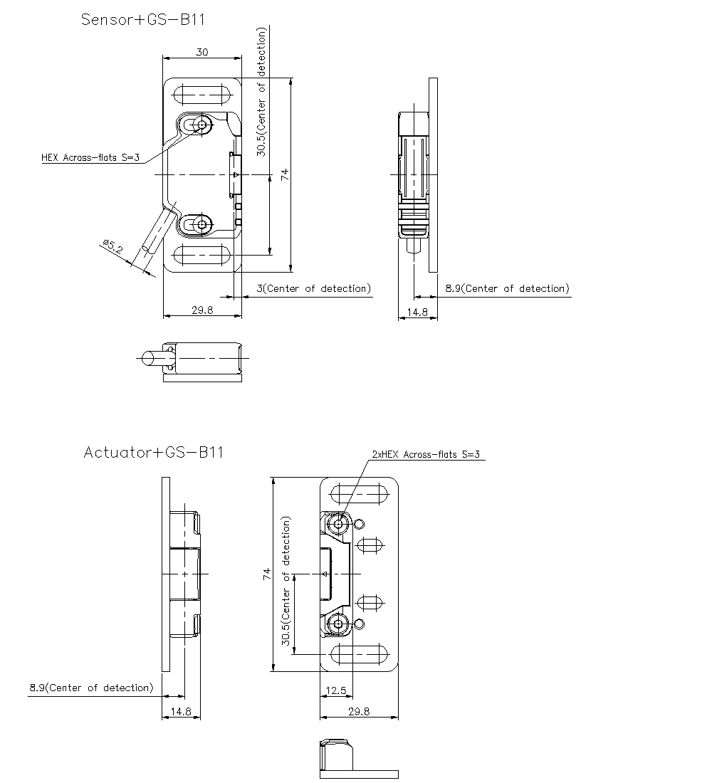
GS-1X/GS/B11_01 Dimension

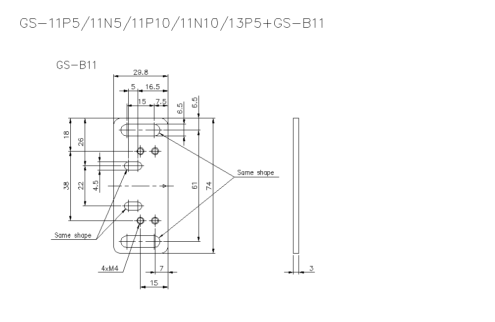
GS-1X/GS/B11_02 Dimension