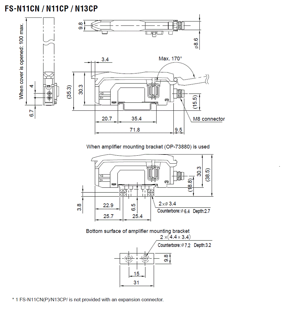
Dimensions

* Download CAD file or product manual for larger image/text and more detail.

FS-N11CN Dimension