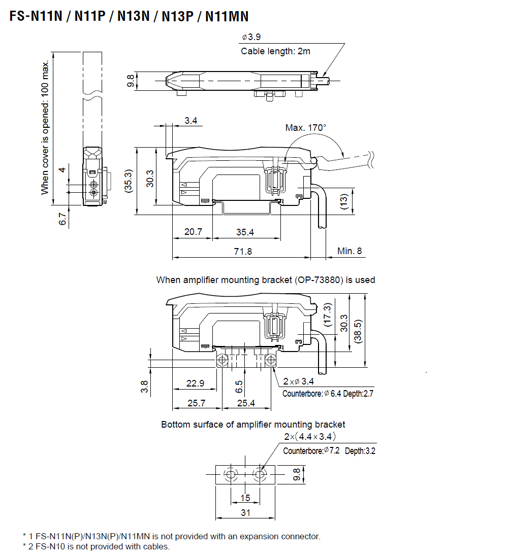
Dimensions

* Download CAD file or product manual for larger image/text and more detail.

FS-N11N_11P_13N_13P_11MN Dimension