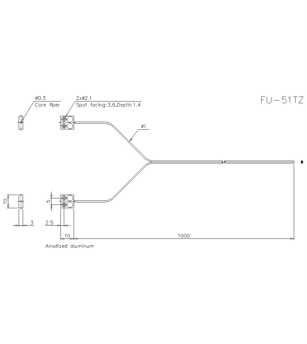
* Download CAD file or product manual for larger image/text and more detail.

FU-51TZ Dimension