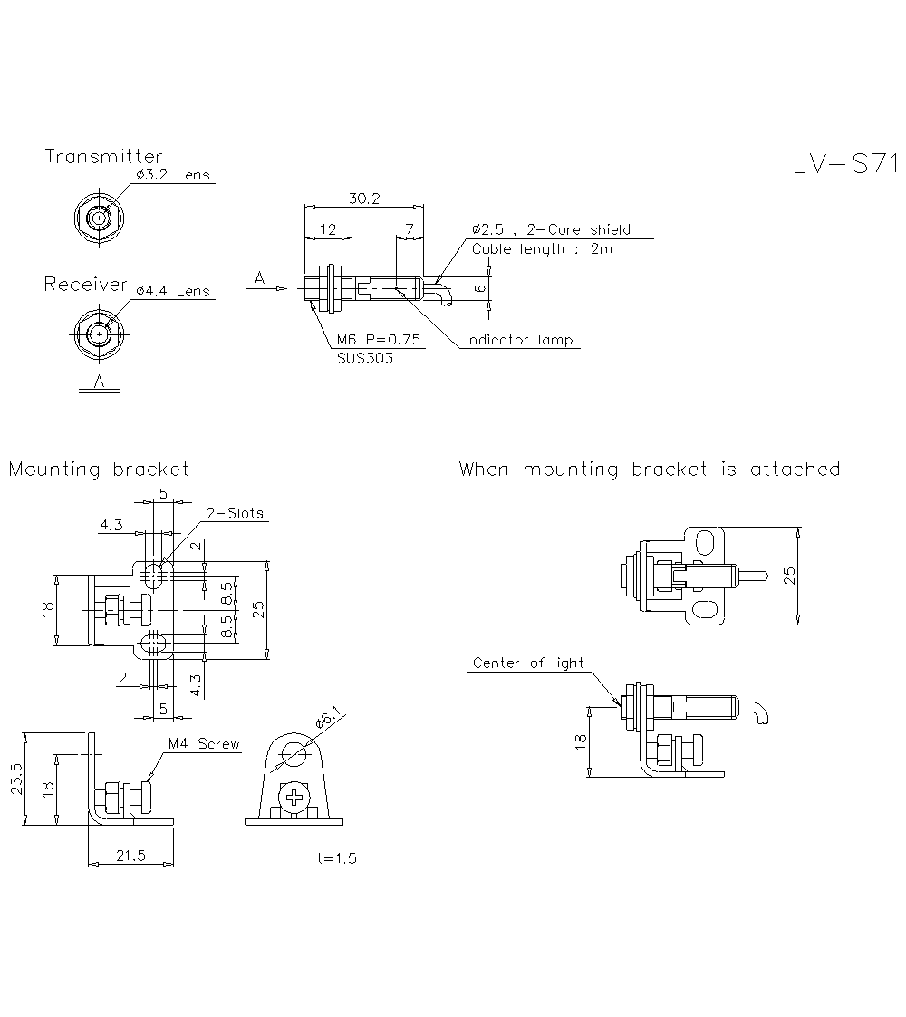
Dimensions

* Download CAD file or product manual for larger image/text and more detail.

LV-S71 Dimension