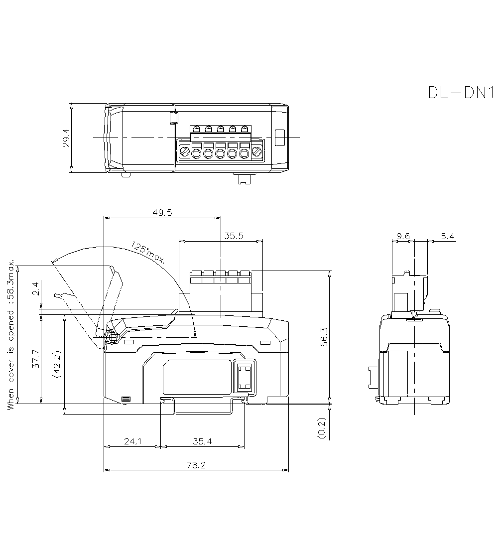
* Download CAD file or product manual for larger image/text and more detail.

DL-DN1 Dimension