* Download CAD file or product manual for larger image/text and more detail.

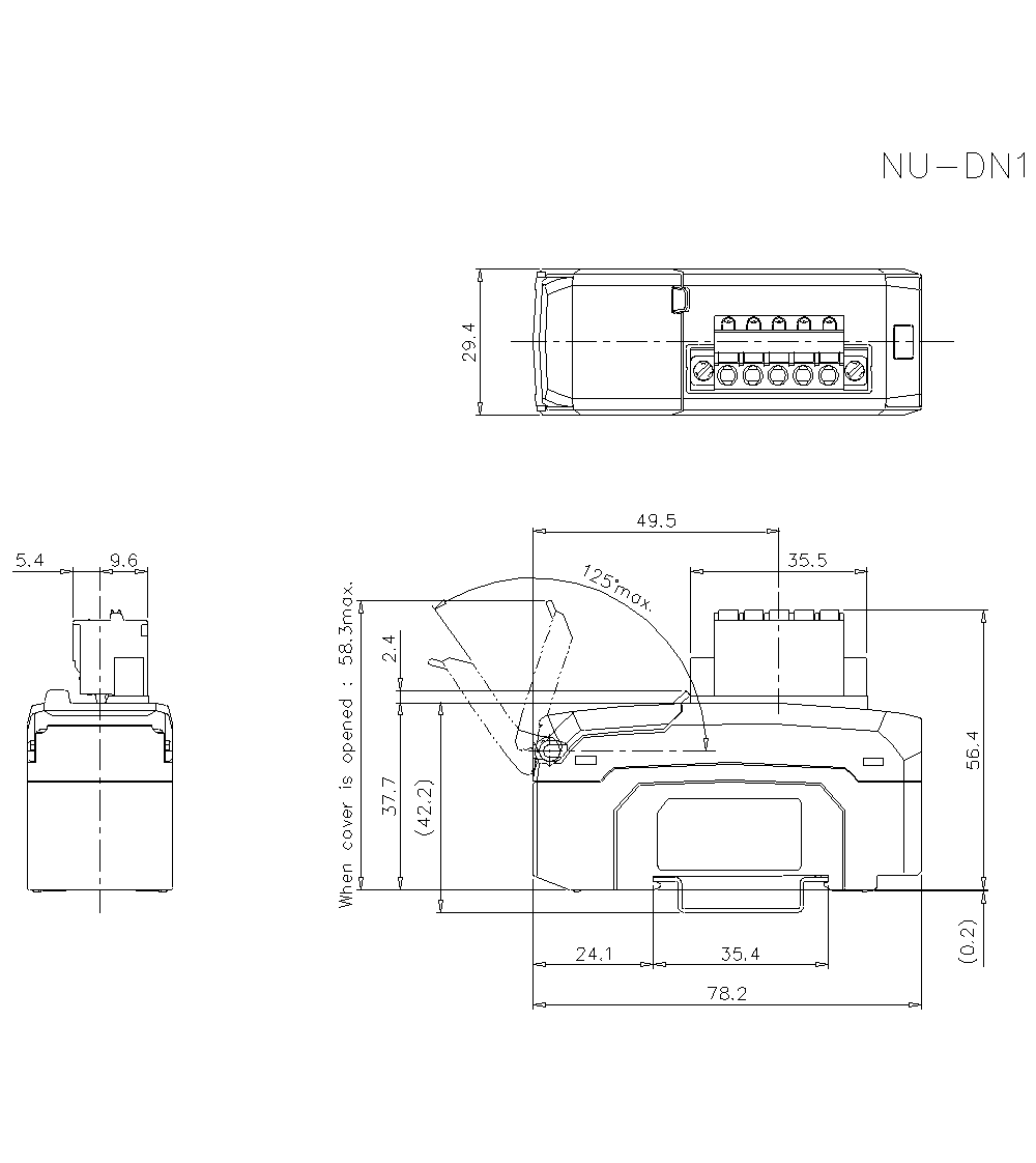
NU-DN1 Dimension