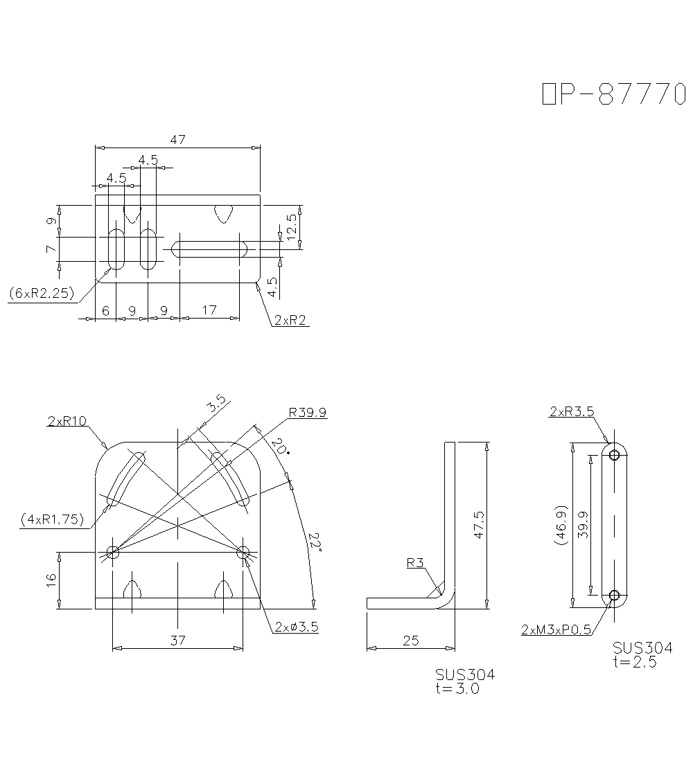
* Download CAD file or product manual for larger image/text and more detail.

op_87770_dimension_01.gif

OP-87770 Dimension