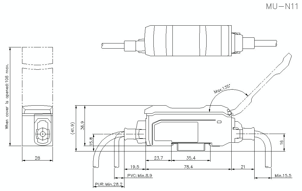
Dimensions

* Download CAD file or product manual for larger image/text and more detail.

mu-n11_dimension_01.gif

MU-N11 Dimension