* Download CAD file or product manual for larger image/text and more detail.

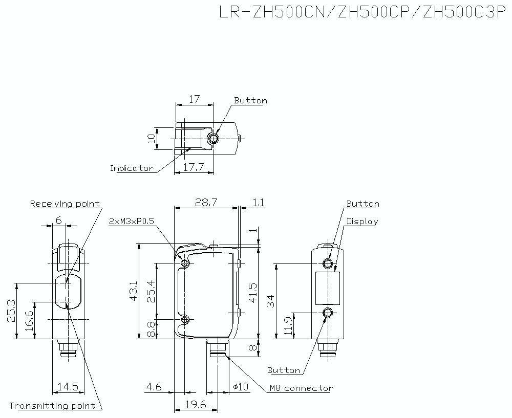
lr-zh500c_dimension_01.gif

LR-ZH500C Dimension