Dimensions

* Download CAD file or product manual for larger image/text and more detail.

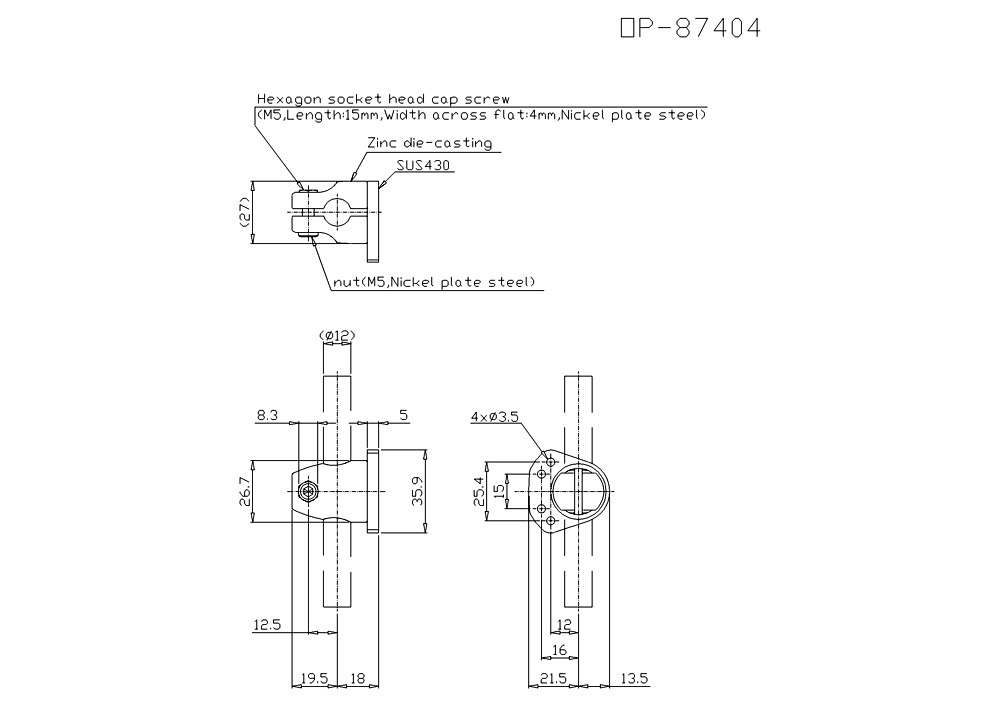
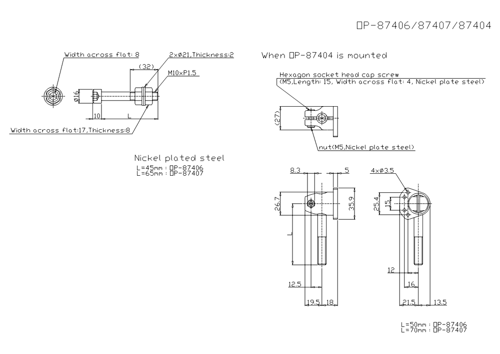
OP-87404 Dimension

OP-87404 Dimension