tcm:56-930240-64
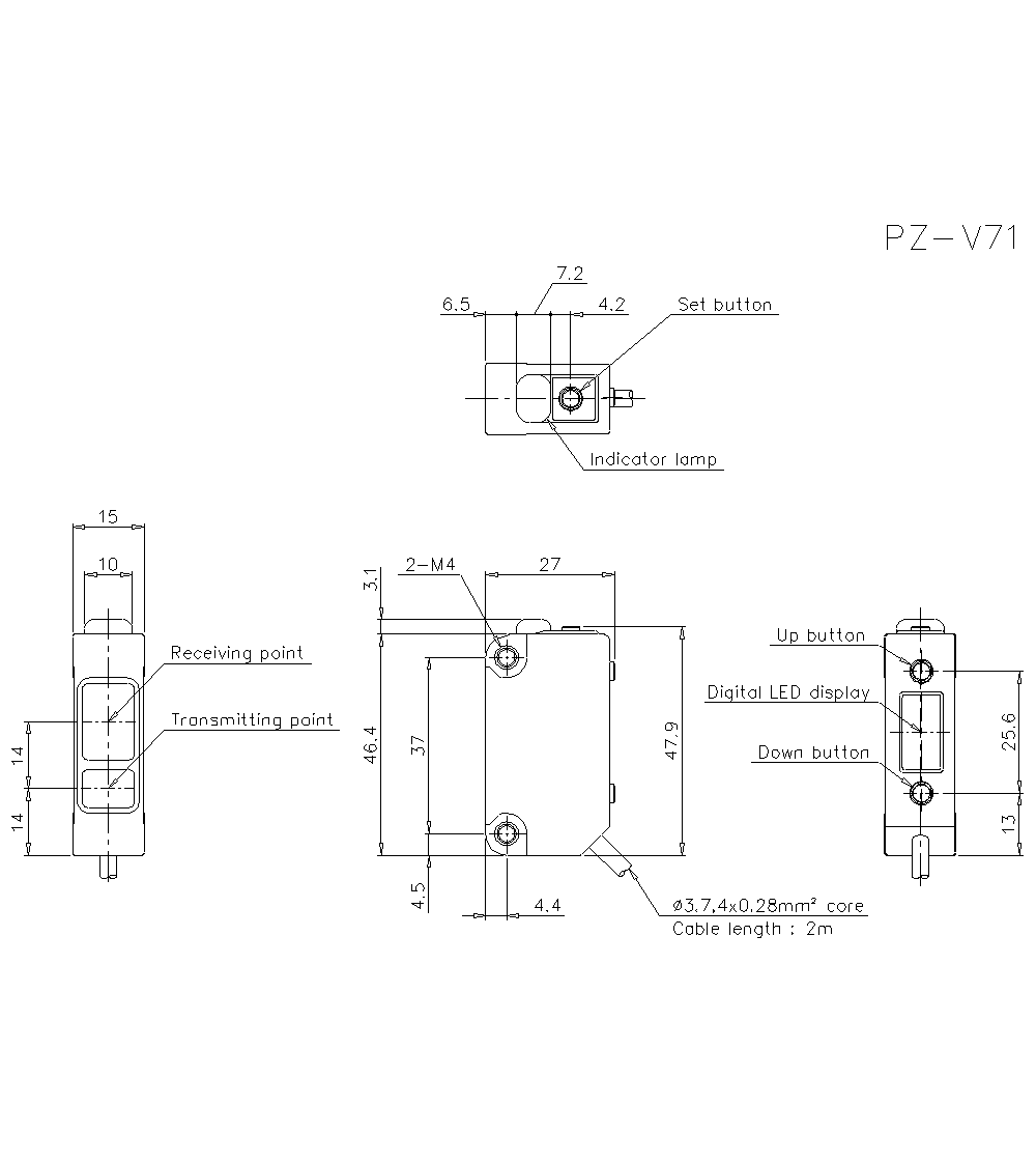
Dimensions
* Download CAD file or product manual for larger image/text and more detail.