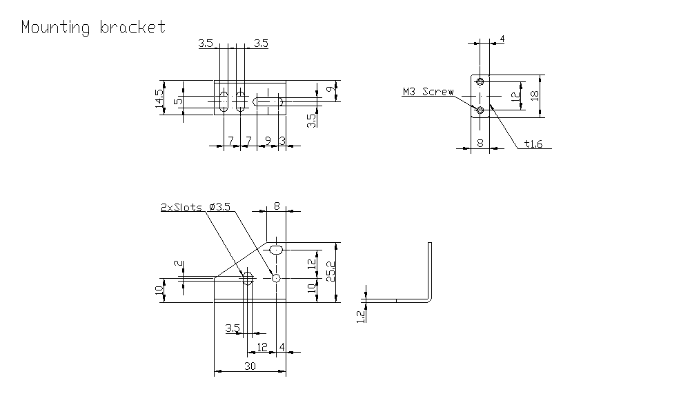
* Download CAD file or product manual for larger image/text and more detail.

PZ-41L/41LP_01 Dimension

PZ-41L/41LP_02 Dimension