* Download CAD file or product manual for larger image/text and more detail.

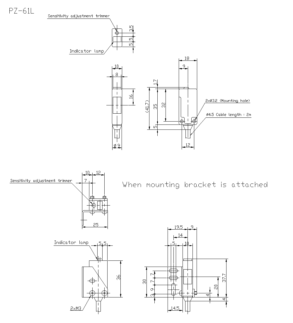
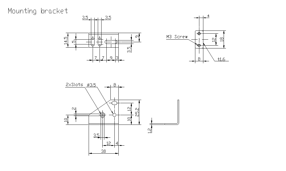
PZ-61L/61LP_01 Dimension

PZ-61L/61LP_02 Dimension