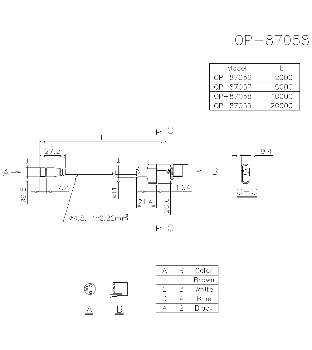
* Download CAD file or product manual for larger image/text and more detail.

OP-87058 Dimension