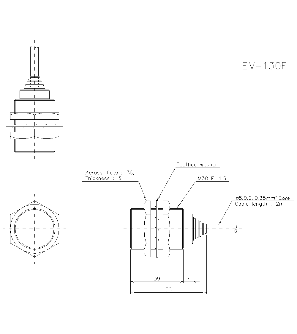
Dimensions

* Download CAD file or product manual for larger image/text and more detail.

EV-130F Dimension