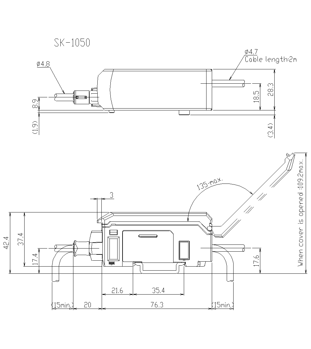
* Download CAD file or product manual for larger image/text and more detail.

SK-1050 Dimension