* Download CAD file or product manual for larger image/text and more detail.

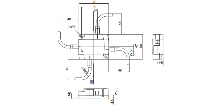
op_87422_dimension_01.gif

OP-87422 Dimension