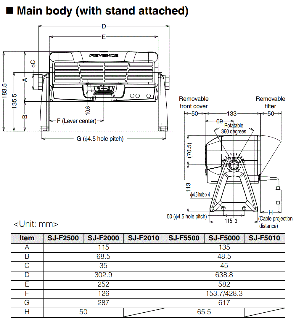
* Download CAD file or product manual for larger image/text and more detail.

SJ-F2000 Dimension