* Download CAD file or product manual for larger image/text and more detail.

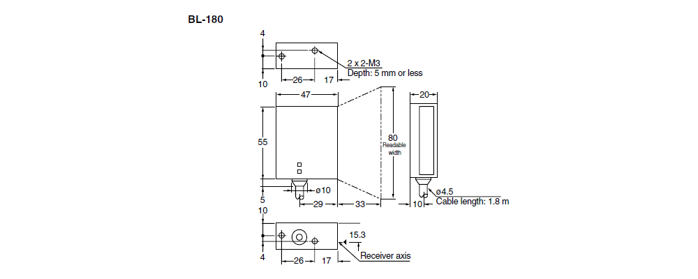
BL-180_dimension_01.gif

BL-180 Dimension