T0447005
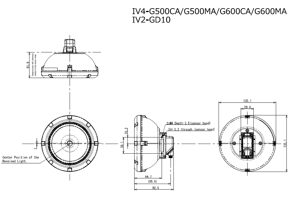
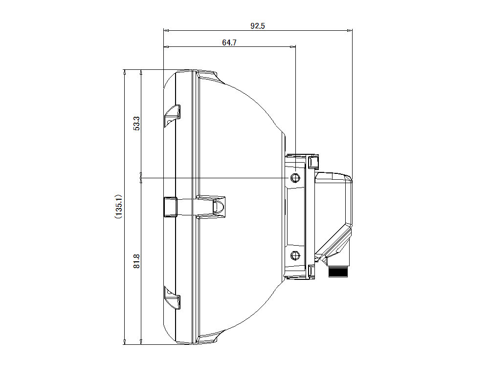
Dimensions
* Download CAD file or product manual for larger image/text and more detail.