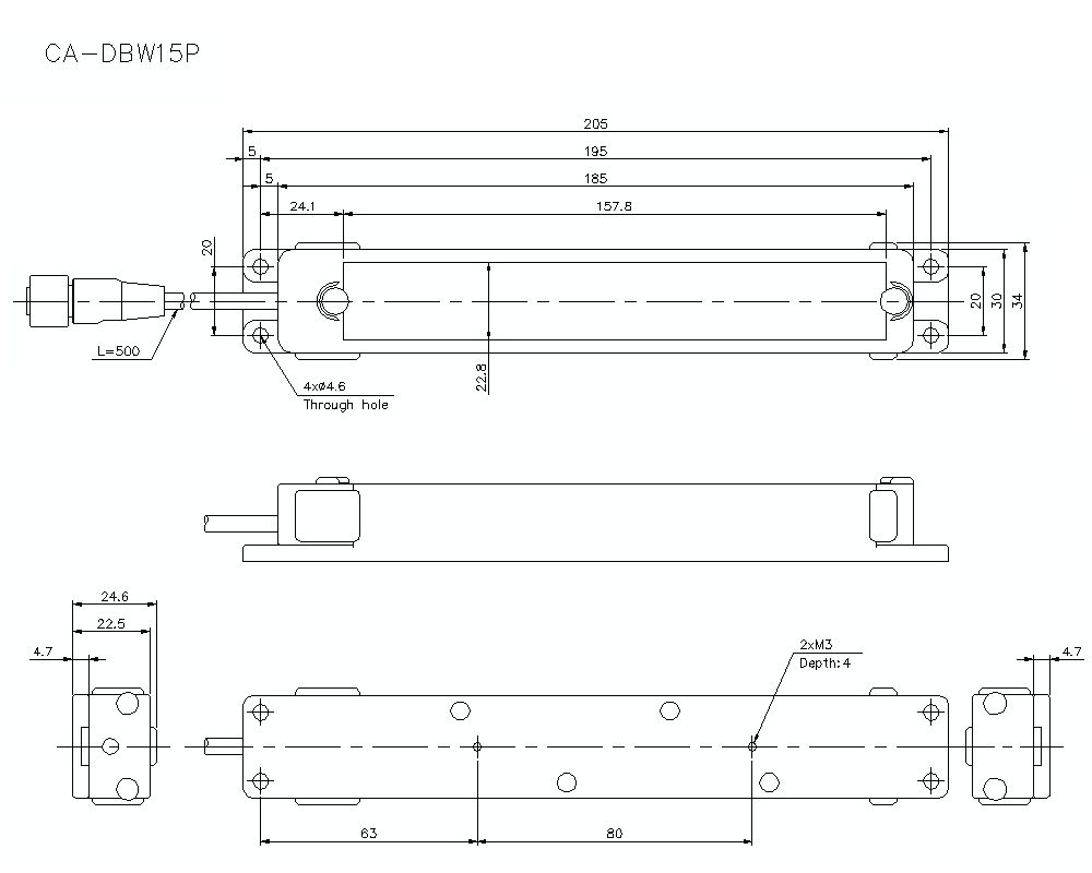
Dimensions

* Download CAD file or product manual for larger image/text and more detail.

CA-DBW15P Dimension