* Download CAD file or product manual for larger image/text and more detail.

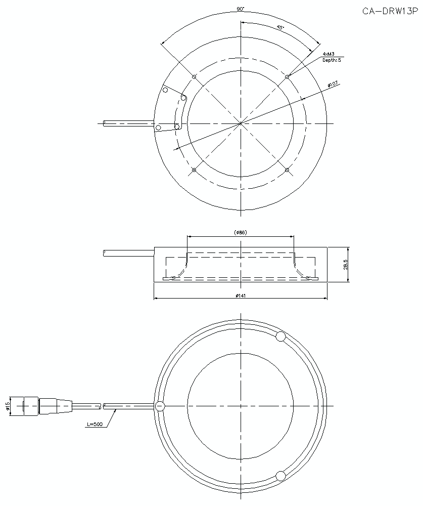
CA-DRW13P Dimension