* Download CAD file or product manual for larger image/text and more detail.

ca-dxb3_dxr3_dxw3_02_dimension_01.gif

CA-DXB3 Dimension

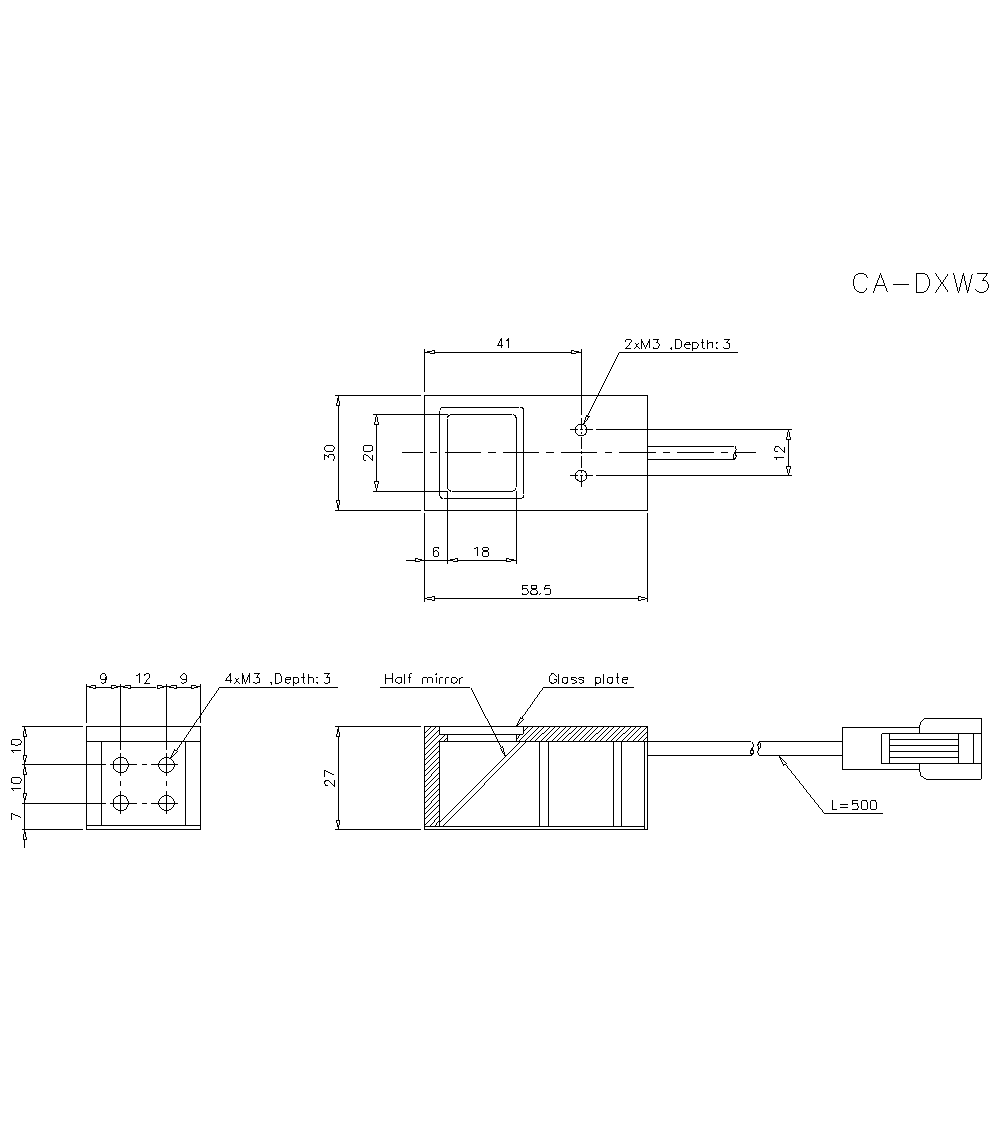
CA-DXW3 Dimension