* Download CAD file or product manual for larger image/text and more detail.

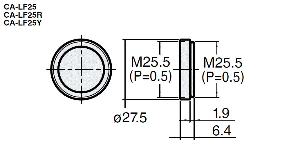
CA-LF25_dimension_01.gif

CA-LF25 Dimension