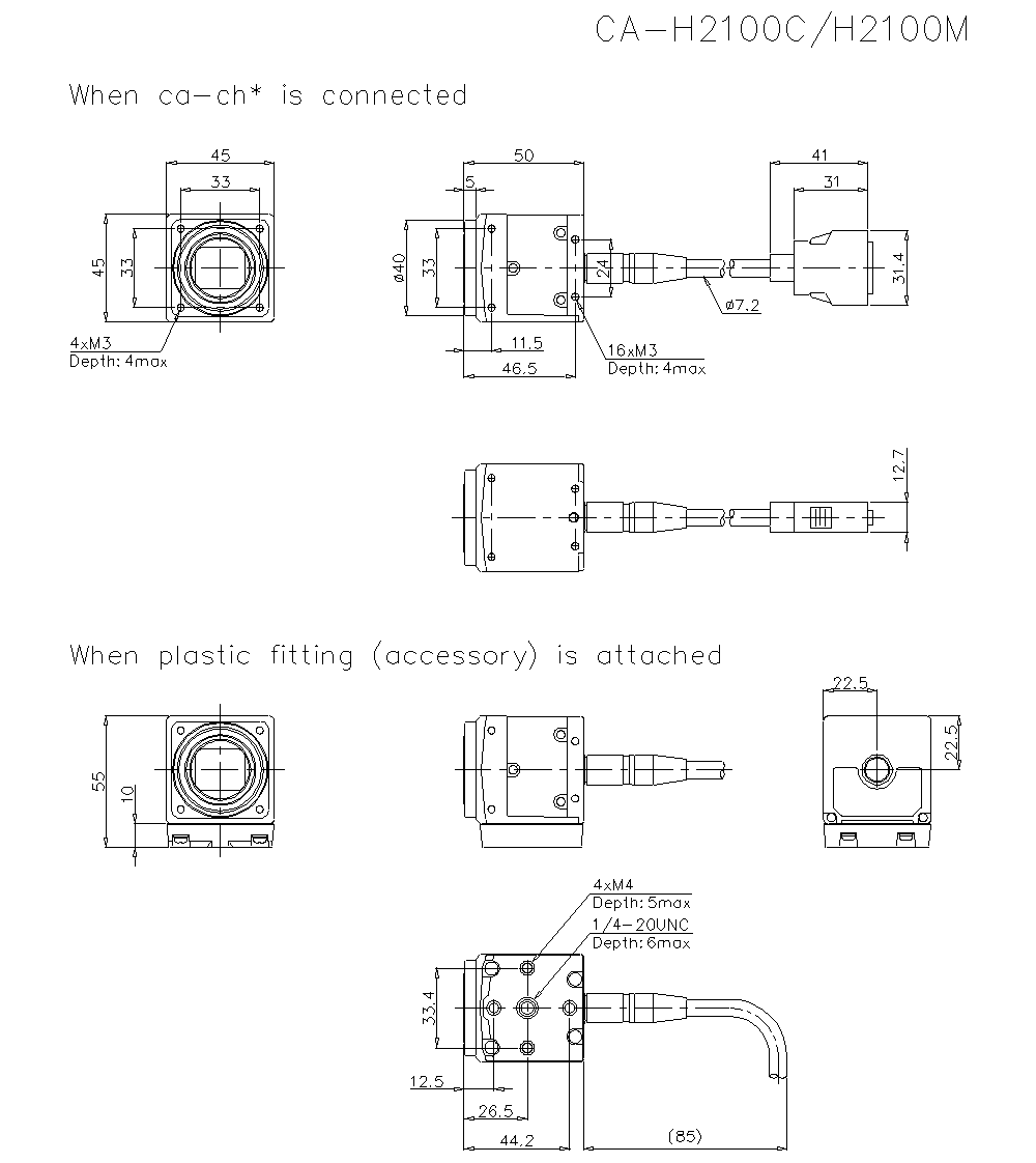
* Download CAD file or product manual for larger image/text and more detail.

ca-h2100c_m_dimension_01.gif

CA-H2100C/M Dimension