* Download CAD file or product manual for larger image/text and more detail.

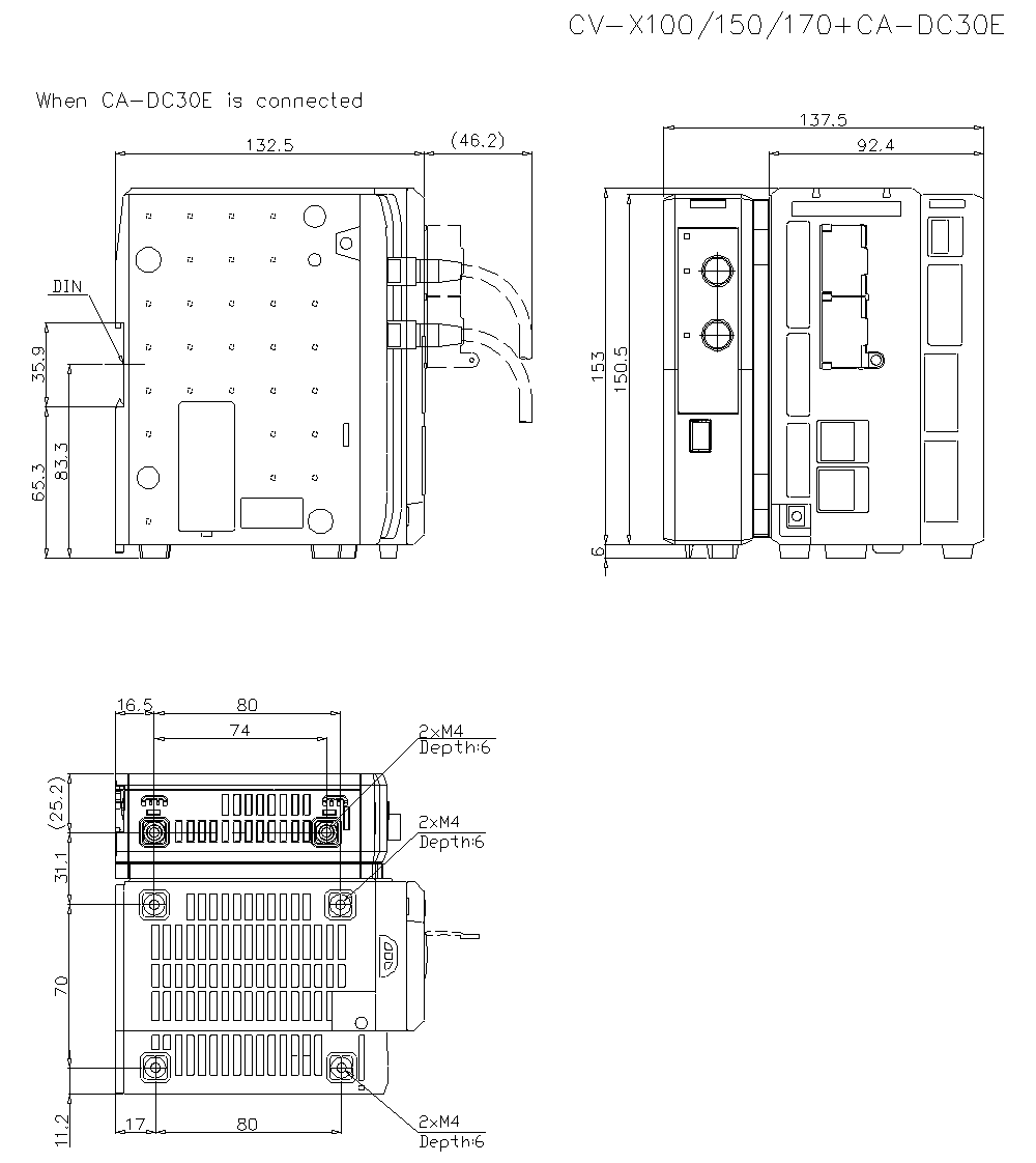
cv-x100_150_170_ca-dc30e_dimension_01.gif

CV-X100/150/170/CA-DC30E Dimension

CV-X100A Dimension