* Download CAD file or product manual for larger image/text and more detail.

XG/XG-H200C(M) Dimension

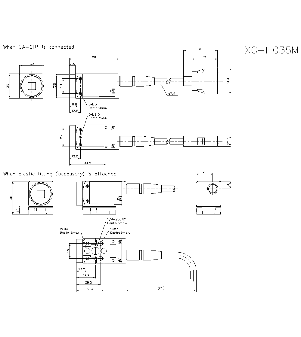
XG-H035M Dimension