Řešení problémů při pozorování a analýze tvaru během zkoušky koroze kovů
Kovové materiály, které se používají v automobilech a různých dalších produktech, korodují lokálně a drasticky na neočekávaných místech, což může vést ke zlomeninám.
Analýza zkorodovaných dílů je důležitá k určení příčin a za účelem prevence opakovaného výskytu koroze. K pozorování tvarů zkorodovaných dílů se používají mikroskopy.
Tato část vysvětluje postup zkoušek koroze, formy a příčiny koroze a uvádí příklady použití digitálního mikroskopu 4K k řešení problémů.

- Význam a postup zkoušky koroze
- Formy, příklady a příčiny místní koroze
- Skutečné příklady vyřešených problémů při zkouškách koroze
- Mikroskop, který mění zkoušky koroze
Význam a postup zkoušky koroze
Jako koroze je označován jev, při kterém dochází ke znehodnocení, spotřebě nebo poškození kovových a jiných pevných materiálů v důsledku chemických nebo elektrochemických reakcí s okolním prostředím, což je připravuje o jejich původní funkce. Existují různé formy koroze, jako je mezikrystalová koroze, důlková koroze, štěrbinová koroze, kontaktní koroze a korozní praskání pod napětím (mezikrystalové praskání a praskání na hranicích zrn), které se liší v závislosti na materiálu a prostředí.
Za účelem zkoumání příčin koroze a prevence jejího opětovného výskytu se v nejrůznějších průmyslových odvětvích provádějí zkoušky koroze. Zkoušky koroze jsou důležité zejména u produktů, jako jsou automobily, které se skládají z různých materiálů a jejichž bezpečnost je vyžadována v různých venkovních prostředích.
Zkoušky koroze se obecně provádějí následujícím postupem.
Postup zkoušky koroze
- Pozorování vzhledu oblasti, kde se vyskytuje koroze
- Kontrola oblasti, kde se vyskytla koroze, a také barvy a stavu zkorodovaných dílů.
- Pozorování na základě vyříznutí nebo odstranění zkorodovaných dílů
- Vyřízněte zkorodované díly. Pokud je jejich vyříznutí obtížné, pak zkorodované díly pouze vyjměte.
- Detailní pozorování zkorodovaných dílů a analýza prvků zkorodovaných látek
- (1) Detailním pozorováním povrchu zkorodovaných dílů pomocí mikroskopu zkontrolujte stav zkorodovaných dílů a látek. V některých případech se zkorodované díly očistí a zkontroluje se, zda se na povrchu substrátu nevyskytuje důlková či jiná koroze.
(2) Analyzujte složení zkorodovaných látek (analýza prvků), abyste potvrdili, která látka podporuje korozi. - Pozorování průřezu zkorodovaných dílů
- V případě potřeby zpracujte zkorodované díly na průřezové vzorky umožňující zkontrolování průběhu koroze. Pro průřez může být provedena také analýza složení (analýza prvků).
Formy, příklady a příčiny místní koroze
Mnoho problémů souvisejících s korozí bývá údajně způsobeno lokální korozí, která se vyskytuje v místech, kde lze jen obtížně předpovědět rychlost jejího rozvoje. Korozi vedoucí k lokálnímu poškození může dále způsobovat poškození ochranného povlaku kovových povrchů.
Níže jsou popsány obvyklé formy a příčiny lokální koroze, které mohou způsobit poškození.
Mezikrystalová koroze

- A. Mezikrystalová koroze
- B. Odlupování
- Jev: Koroze způsobená nečistotami a příměsemi na hranicích zrn s nízkým korozním potenciálem. Může také docházet k odlupování, při kterém mezikrystalová koroze způsobuje odpadávání zrn.
- Příklady: K tomuto jevu dochází v místech, kde nerezová ocel nebo hliníkové slitiny nebyly řádně nebo dostatečně tepelně zpracovány. Vyskytuje se také v zónách ovlivněných teplem způsobeným svařováním.
- Příčiny:
Z hlediska materiálu: snížená koncentrace chromu na hranicích zrn, segregace stopových prvků na hranicích zrn, usazeniny na hranicích zrn atd.
Důlky

- A. Důlky
- B. Pasivační vrstva
- Jev: Dochází ke korozi na velmi omezených místech kovových povrchů udržujících pasivní stav (pasivační vrstvy) a tato koroze probíhá do hloubky v jamce s malým průměrem.
- Příklady: Pasivační vrstva lokálně poškozená ionty halogenů (např. Cl-), což vede ke korozi ve tvaru jamky. Je to způsobeno nestejnorodostí kovů, která má původ v nekovových příměsích ve vodném roztoku chloridů na nerezové oceli a slitin hliníku.
- Příčiny:
Z hlediska prostředí: ionty halogenů, rozpuštěný kyslík.
Z hlediska materiálů: příměsi, vady atd.
Štěrbinová koroze

- A. Štěrbinová koroze
- B. Pasivační vrstva
- Jev: Koroze způsobená nedostatkem rozpuštěného kyslíku ve štěrbinách, což vede k poškození pasivační vrstvy na povrchu kovů a jejich rozpouštění.
- Příklady: Tento jev se vyskytuje na nerezových, hliníkových a titanových plochách přírub.
- Příčiny:
Z hlediska struktury/materiálu: struktura štěrbiny, oxidovaná vrstva (okuje)
Z hlediska prostředí: ionty halogenů, rozpuštěný kyslík (fáze růstu je stejná jako u důlkové koroze).
Kontaktní koroze (koroze při kontaktu dvou kovů a galvanická koroze)

- A. Korodovaný díl
- B. Obecný kov
- C. Ušlechtilý kov
- Jev: Koroze, která vzniká a rozvíjí se na obecných kovech v důsledku kontaktu kovů s různými elektrodovými potenciály a při existenci roztoku elektrolytu v místě kontaktu.
- Příklady: Kontakt mezi hliníkem a mědí způsobuje korozi hliníku a kontakt mezi ocelí a nerezovou ocelí způsobuje korozi oceli.
- Příčiny:
Z hlediska materiálů: Kontakt mezi kovy s různým elektrickým potenciálem. V případě kontaktu různých kovů platí, že čím je kov obecnější, tím vyšší je míra koroze.
Korozní praskání pod napětím
- Jev: Koroze způsobená napětím v tahu (zbytkové napětí nebo napětí vzniklé externím namáháním), která lokálně poškozuje ochranný povlak na povrchu. Koncentrovaný rozvoj koroze vede ke vzniku prasklin.
- Typy tvarů prasklin: Jelikož způsob, jakým probíhá korozní praskání pod napětím, se liší v závislosti na kombinaci kovu a prostředí, existují také rozdíly ve formách praskání.
Mezikrystalové praskání prochází zrny, zatímco prasklina na hranici zrn prochází podél hranic zrn. - Příčiny:
Mezikrystalové praskání: příměsi, usazeniny, povrchová úprava, vady materiálů atd.
Prasklina na hranici zrna: Hranice zrn stopových prvků, segregace, vrstvy na hranicích zrn ochuzené o chrom, usazeniny na hranicích zrn, nepravidelnosti na hranicích zrn atd.


Skutečné příklady vyřešených problémů při zkouškách koroze
Jelikož příčiny koroze lze identifikovat na základě forem koroze, je ke zkoušce koroze důležité pozorování vzhledu a podrobné pozorování pomocí mikroskopů.
Zkorodované díly mají trojrozměrné tvary, takže jejich pozorování bývá provázeno různými problémy, například při úpravě zaostření a extrakci světelných podmínek. Detailní pozorování mezikrystalové koroze nebo korozního praskání bývá také někdy obtížné z důvodu nedostatečného rozlišení.
Digitální 4K mikroskop KEYENCE řady VHX s velmi vysokým rozlišením využívá objektiv s vysokým rozlišením, senzor 4K CMOS a speciálně navržený pozorovací stojan. Tyto a další vestavěné technologie umožňují přesné a rychlé pozorování a analýzu s jednoduchou obsluhou pomocí obrazu s vysokým rozlišením 4K.
Tato část představuje příklady použití multifunkčního digitálního 4K mikroskopu řady VHX při pozorování a analýze zkorodovaných dílů.
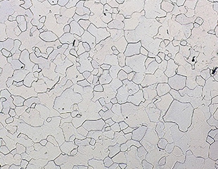
Pozorování hranic zrn pomocí snímků s vysokou přesností a rozlišením
S využitím digitálního 4K mikroskopu řady VHX
Objektiv s vysokým rozlišením a senzor 4K CMOS umožňují pozorování s využitím snímků s vysokým rozlišením 4K i při pozorování hranic zrn s velkým zvětšením.
Takto je možné detailně a na čistých snímcích pozorovat mezikrystalovou korozi, odlupování a korozní praskání pod napětím (mezikrystalové praskání a praskání na hranicích zrn).


Plně zaostřené pozorování celého trojrozměrného zkorodovaného dílu
S využitím digitálního 4K mikroskopu řady VHX
Objektiv s vysokým rozlišením, který umožňuje pozorování s velkou hloubkou ostrosti a vysokým rozlišením, senzor 4K CMOS a hloubková kompozice bez ostření umožňují jednoduchým ovládáním okamžitě získat obraz s vysokým rozlišením, ve kterém je plně zaostřen celý cíl.
Není nutné nastavovat zaostření pro každý pozorovací bod, což umožňuje rychlé pozorování z libovolného úhlu.

Vlevo: bez hloubkové kompozice / Vpravo: hloubková kompozice (200×)

Vlevo: bez hloubkové kompozice / Vpravo: hloubková kompozice (150×)
Pozorování struktury koroze bez úpravy osvětlení
S využitím digitálního 4K mikroskopu řady VHX
Funkce vícenásobného osvětlení umožňuje snadné ovládání pouhým stisknutím tlačítka za účelem rychlého získání více snímků s osvětlením ze všech směrů. Uživatelé si mohou jednoduše zvolit jasný snímek, který je pro pozorování nejvhodnější.
Tato funkce eliminuje čas a úsilí, které obvykle bývalo nutné vynaložit na extrakci světelných podmínek, a umožňuje rychlé pozorování snímků s vysokým rozlišením při optimálním osvětlení.
Po výběru snímku k pozorování jsou navíc automaticky uložena další data snímků s vícenásobným osvětlením, takže lze pouhým výběrem jiného snímku provést pozorování za jiných světelných podmínek. S touto funkcí ušetříte čas a úsilí spojené s opakovaným nastavením stolku a osvětlení.


Mikroskop, který mění zkoušky koroze
Kromě funkcí představených v této části je digitální 4K mikroskop řady VHX s vysokým rozlišením vybaven mnoha dalšími užitečnými funkcemi pro analýzy a testy.
Mimo pozorování zkorodovaných dílů ve vysokém rozlišení umožňuje řada VHX bezproblémové provádění přesných 2D a 3D měření s rozlišením menším než mikrometr a automatické měření plochy, které je užitečné pro kvantitativní hodnocení hranic zrn.
U řady VHX navíc postačuje jediná jednotka ke snadnému a rychlému provedení celé řady pracovních operací, přičemž po instalaci aplikace Excel s využitím šablon je možné automatické vytváření zpráv na základě pozorovaných snímků a naměřených hodnot.
Podrobné informace o řadě VHX získáte po kliknutí na tlačítko ke stažení katalogu níže. V případě dotazů klikněte níže na druhé tlačítko umožňující kontaktování společnosti KEYENCE.


