Optimalizace pozorování vad šroubů (důlky, škrábance, praskliny a zakřivení)
Šrouby slouží k mechanickému spojení součástí prakticky ve všech průmyslových produktech. Vysoká kvalita a spolehlivost šroubů je nezbytná nejen v automobilovém a leteckém průmyslu – kde je bezpečnost ovlivněna přesností a odolností šroubů – ale také u mnoha produktů od stavebnictví až po elektronické součástky.
V této části jsou představeny základní poznatky o šroubech a také příklady našeho digitálního 4K mikroskopu, který zlepšuje sofistikovanost a efektivitu pozorování a měření vad šroubů, což jsou zlepšení, která jsou požadována v oblastech, jako je výzkum a vývoj a zajištění kvality.

- Základní informace o šroubech (názvy a rozměry součástí, normy a materiály)
- Příklady zlepšení sofistikovanosti a účinnosti pozorování a měření vad šroubů
- Digitální 4K mikroskop, který zajišťuje sofistikovanější pozorování a analýzu šroubů
Základní informace o šroubech (názvy a rozměry součástí, normy a materiály)
Šroub je upínací díl se spirálovou drážkou po straně válcového dříku. Obecně se pod pojmem šroub rozumí malé šrouby používané samostatně a pod pojmem svorník se rozumí šrouby používané ve spojení s maticemi. Vruty mají špičaté hroty a používají se při práci se dřevem. Jde o jeden z příkladů toho, že šrouby mají různé tvary, odpovídají různým normám a vyrábějí se z různých materiálů v závislosti na spojovaných materiálech a použití. Níže jsou popsány základní informace pro práci se šrouby, jako jsou názvy a rozměry jejich částí a normy pro běžné šrouby.
Názvy a rozměry součástí šroubů
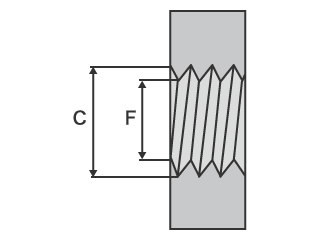
Názvy typických součástí šroubů (s vnějším závitem) jsou uvedeny v následujícím obrázku.

Obecně se délka šroubu s vnějším závitem nazývá jmenovitá délka a označuje délku pod hlavou (písmeno E na obrázku). Tato definice se ale různí v závislosti na typu šroubu a tvaru hlavy. Celková délka (písmeno F na obrázku) je například jmenovitá délka v případě šroubů se zápustnou hlavou, jejichž hlavy jsou po úplném zašroubování v jedné rovině s povrchem materiálu.
Pokud k hlavě přiléhá část bez závitu, označuje se tato část jako hladká část. Součástí hladké části je část závitu s neúplnými vrcholy a údolími, která vzniká při zpracování.
Na následujících obrázcích jsou dále uvedeny a vysvětleny obvyklé rozměry závitů (pro šrouby s vnějším a vnitřním závitem).


- A
- Velký průměr: Průměr mezi vnějšími závity šroubu. Jde o jmenovitý průměr, který určuje tloušťku šroubu.
- B
- Střední průměr: Průměr kružnice, která tvoří stejnou šířku závitu a šířku drážky.
- C
- Malý průměr: Průměr od základny jednoho údolí k základně dalšího údolí pro šroub s vnějším závitem / s vnitřním závitem.
- D
- Úhel závitu: Úhel, který se otevírá od vrcholu závitu k přilehlým údolím.
- E
- Rozteč: Vzdálenost mezi sousedními vrcholy údolí.
- F
- Vnitřní průměr: Průměr mezi vnitřními závity šroubu.
Normy pro šrouby
Existuje mnoho norem, které se používají v případě šroubů, což vede k rozdílným rozměrům, definicím a terminologii. Tato část představuje informace týkající se obvyklých norem, definic a anotací.
- Metrické závity
- Takto jsou označovány šrouby s úhlem závitu 60°, jejichž jmenovité rozměry a rozteč závitu jsou vyjádřeny v milimetrech. Tyto šrouby se podle různých roztečí závitů dělí na šrouby s hrubou roztečí závitu a šrouby s jemnou roztečí závitu.
Vyjadřují se jako „jmenovitý průměr šroubu × jeho rozteč“. Maximální průměr závitu (v milimetrech) je uveden za písmenem M. Například označení M10 znamená, že šroub má jmenovitý průměr 10 mm. Standardně se používají šrouby s hrubou roztečí. Pokud má šroub jemnou rozteč závitu s malou vzdáleností mezi závity, vyjadřuje se jako „MXX × rozteč“. - Jednotný závit
- Takto jsou označovány šrouby s úhlem závitu 60°, což odpovídá metrickému závitu, ale jejich jmenovité rozměry a rozteč závitu jsou vyjádřeny v palcích. Rozteč závitu určuje počet závitů na jeden palec. Jednotný normalizovaný závit je někdy označován jako palcový nebo americký závit a používá se například v leteckém průmyslu. Jednotný závit je k dispozici s hrubou roztečí (UNC), která má normální rozměry, a jemnou roztečí (UNF).
Používá se následující notace: „velký průměr šroubu (číslo šroubu) - (spojovník) počet závitů na palec, typ šroubu (UNC nebo UNF)“. Například „1/4-20UNC“ označuje šroub s jednotným závitem s hrubým stoupáním, velkým průměrem 1/4 palce a 20 závity na palec.
Materiál a charakteristika šroubů
Stejně jako existují různé tvary a normy pro hlavy a závity v závislosti na použití šroubů, liší se i použité materiály. Typy a charakteristiky obvyklých materiálů používaných k výrobě šroubů jsou uvedeny níže.
- Ocel
- Hlavní ocelové materiály používané k výrobě šroubů jsou uvedeny níže.
- Uhlíková ocel: Jedná se o nejběžnější železný/ocelový materiál používaný k výrobě šroubů. S45C (s obsahem uhlíku přibližně 0,45 %) je tvrdý a pevný železný/ocelový materiál s obsahem uhlíku pro mechanické konstrukce a často se používá ve šroubech.
- Legovaná ocel: Tento materiál, který vznikne přidáním molybdenu (Mo) nebo chromu (Cr), se používá ve šroubech a dalších výrobcích, kde je vyžadována pevnost.
- Nerezová ocel: Tento materiál, který má obecně vynikající odolnost vůči korozi a mechanické vlastnosti, se klasifikuje na základě struktury, která se mění při tepelném zpracování, jako například Cr (Cr martenzitická ocel / 18Cr feritická ocel) a Cr-Ni (18-8 austenitická ocel). Austenitická nerezová ocel se běžně používá ve šroubech.
- Měď / slitina mědi
- Přestože má tento materiál nižší mechanickou pevnost než jiné kovové materiály, snadno se tvaruje a má vynikající elektrickou a tepelnou vodivost, tažnost a odolnost vůči korozi. Běžně se používá k výrobě zajišťovacích šroubů svorek. Čistá měď se klasifikuje v závislosti na obsahu kyslíku (podle čistoty mědi) na tvrdou rafinovanou měď (s čistotou 99,5 %), deoxidovanou měď (tvrdá rafinovaná měď ovlivněná křehnutím vodíkem) a měď bez kyslíku (s vysokou čistotou 99,995 %). Z hlediska nákladů se jako materiál k výrobě šroubů používá nejčastěji tvrdá rafinovaná měď.
- Hliník /slitina hliníku
- Hliníkové šrouby mohou být přibližně o 1/3 lehčí než ocelové. Hliník má také vynikající odolnost vůči korozi a tepelnou vodivost a poměrně snadno se recykluje, což mu dává výhodu šetrnosti k životnímu prostředí. Problémem hliníku je na druhou stranu skutečnost, že je ve srovnání s ocelí relativně slabý. Hliníkové šrouby lze ošetřit tepelnou úpravou, aby se zpevnil jejich povrch a zvýšila pevnost tohoto materiálu, což umožňuje zajistit charakteristické výhody hliníku a současně překonat jeho nevýhody.
- Titan /slitina titanu
- Titanové šrouby jsou přibližně o 60 % lehčí než ocelové a současně mají vynikající odolnost vůči korozi a teplu a přibližně stejnou pevnost jako uhlíková ocel. Titan se na druhou stranu obtížně zpracovává a je velice drahý. Titan (čistý titan) a slitina titanu mají odlišné vlastnosti. Hlavní příklady jejich použití jsou uvedeny níže.
- Titan: Má vysokou odolnost vůči korozi a není jedovatý pro lidské tělo. Jeho vynikající biokompatibilita umožňuje jeho uplatnění ve šroubech pro lékařské použití a při podobném použití.
- Slitina titanu: Tento materiál s vysokým poměrem pevnosti vzhledem k hmotnosti se používá v leteckém průmyslu. Protože je zpracování šroubů ze slitiny titanu obtížné, je jejich jednotková cena vysoká.
- Hořčík / slitina hořčíku
- Hmotnost hořčíku je přibližně 1/4 ve srovnání s ocelí a přibližně 2/3 ve srovnání s hliníkem, a proto je hořčík jako materiál použitý k výrobě šroubů extrémně lehký. Kromě nízké hmotnosti má slitina hořčíku také vysokou specifickou pevnost, vynikající elektromagnetické stínění, odvod tepla a absorpci vibrací a poskytuje další výhodu v tom, že při upevnění na pouzdro ze stejného materiálu nedochází k elektrolytické korozi. Z toho důvodu se používá v široké škále oborů včetně automobilů, letadel a elektrotechnických výrobků. Na druhou stranu patří mezi jeho špatné vlastnosti nízká odolnost vůči korozi a skutečnost, že se obtížně zpracovává, takže je nutné zvážit prostředí, kde se bude používat, a jeho povrchovou úpravu, která může kompenzovat nevýhody tohoto materiálu.
- Plast
- Plast má sice nízkou pevnost, ale je lehký a snadno se tvaruje. Různé typy plastů navíc poskytují různé vlastnosti, jako je odolnost vůči korozi a chemikáliím. Šrouby lze vyrábět z různých typů plastů, které odpovídají danému použití. Například PP (polypropylen) má nízkou relativní hustotu a je odolný vůči hydrolytické degradaci a POM (polyacetal) má vyvážené mechanické vlastnosti a vynikající chemickou odolnost.
Příklady zlepšení sofistikovanosti a účinnosti pozorování a měření vad šroubů
Až na výjimky jsou šrouby, svorníky, matice a podložky trojrozměrné kovové předměty. Z toho důvodu se ve většině případů při pozorování důlků, škrábanců, prasklin a dalších vzhledových vad, které negativně ovlivňují kvalitu, a při pozorování trojrozměrných tvarových vad nebylo možné vyhnout problémům, kdy byla zaostřena pouze část obrazu a bylo obtížné určit světelné podmínky vzhledem k lesku objektu nebo nízkému kontrastu s pozadím. V případě kontaktních měřicích systémů a optických mikroskopů je také velmi obtížné měřit trojrozměrné tvary s vysokou přesností a hlavním problémem byly rozdíly v hodnotách mezi jednotlivými operátory.
Digitální 4K mikroskop KEYENCE řady VHX poskytuje pozorovací systém využívající elektronické řízení a pokročilé technologie, jako je například objektiv s vysokým rozlišením a 4K obrazový senzor CMOS, které umožňují pozorování a 2D a 3D měření s jednoduchou obsluhou a také pořizování jasných obrazů ve vysokém rozlišení 4K. Současně řeší různé problémy, zlepšuje sofistikovanost pozorování, kvantifikuje měření a zvyšuje efektivitu provozu, což vede ke zkrácení doby zpracování.
Pozorování závitů s náklonem
Pozorovací stojan pro práci pod jakýmkoliv úhlem, kterým je digitální 4K mikroskop řady VHX vybaven, lze použít k jasnému pozorování mikroskopických důlků a škrábanců při malém i velkém zvětšení a z libovolného úhlu bez nutnosti změny polohy šroubu.
Velká hloubka ostrosti umožňuje rychlé pozorování vad s využití obrazů, které jsou zaostřené v celém zorném poli, takže odpadají potíže s nastavováním zaostření i v případě trojrozměrných objektů.



Pozorování zakřivení matic
Digitální 4K mikroskop řady VHX disponuje režimem optického stínového efektu, který umožňuje snadné získávání informací s vysokým kontrastem pouhým stisknutím tlačítka při současné eliminaci potíží spojených s potřebou vakua. Takto je možné jasné pozorování jemných nepravidelností na kovu, jejichž pozorování by jinak bylo obtížné vzhledem k nízkému kontrastu.
Snímek v režimu optického stínového efektu lze překrýt informacemi o barvě objektu, takže je možné souběžně znázornit informace o nerovném povrchu i barvě. Jak znázorňuje následující obrázek, lze k přiřazení barev k informacím o mikroskopicky nerovném povrchu, jako je například zakřivení malé matice, použít obraz s barevnou mapou a srozumitelným způsobem tyto informace vizualizovat.
Mikroskopy řady VHX umožňují provádění 2D a 3D měření přímo na základě obrazů s vysokým rozlišením 4K. V průběhu 3D měření lze také získat informace o profilu požadovaného místa. Je podporováno automatické vytváření sestav obsahujících obrazy pozorování a naměřené hodnoty prostřednictvím jediného zařízení.


obraz s barevnou mapou v režimu optického stínového efektu (20×)
Digitální 4K mikroskop, který zajišťuje sofistikovanější pozorování a analýzu šroubů
Digitální 4K mikroskop řady VHX nejen zvyšuje sofistikovanost pozorování díky jasnému obrazu s rozlišením 4K, ale také výrazně zlepšuje úroveň pozorování a analýzy díky různým pozorovacím systémům a funkcím.
Pozorovací stojan pro práci pod jakýmkoliv úhlem umožňuje snadné zarovnání zorného pole, rotaci a pohyb po šikmé ose. Díky eucentrickému provedení zůstává objekt uprostřed zorného pole, i když je objektiv nakloněný nebo otočený. Je možné pozorovat s náklonem trojrozměrné a mikroskopické objekty, jako jsou například vady šroubů.
Obtížné úkoly, jako je například pozorování a vizualizace jemných škrábanců nebo mikroskopických nepravidelností povrchu v podobě zakřivení, lze nyní provádět s jednoduchou obsluhou pomocí režimu optického stínového efektu, který umožňuje získat informace s vysokým kontrastem.
Řada VHX kromě zvýšení sofistikovanosti a kvantifikace pozorování a analýzy ve výzkumu a vývoji i při zajišťování kvality dále urychluje práci a odstraňuje nutnost nadměrné specializace tím, že usnadňuje obsluhu. Kromě toho poskytuje celou řadu dalších výhod. Pokud potřebujete další informace o produktu nebo máte dotazy, klikněte na tlačítka níže.


