Automotive and Aerospace Industries
-

Observation and Measurement of Hydraulic Components Using Digital Microscopes -

Observation and Measurement of Sintered Parts Using Digital Microscopes -

Observation and Measurement of Textured Surfaces Using Digital Microscopes -

Observation and Measurement of Electric Vehicle (EV) Components Using Digital Microscopes -

Observation and Measurement of Moulds and Dies Using a Digital Microscope -

Observation and Inspection of the Polishing Process Using a Digital Microscope -

Fracture Patterns on Metal Fracture Surfaces and Solutions for Problems in Metallurgical Failure Analysis -

Technical Cleanliness Inspection and Analysis of Automotive Components in Compliance with Industrial Standards -

Quantification of the Control and Evaluation of the Wear and Service Lives of Tools -

Metallographic Analysis Methods and Streamlining of Observation and Measurement -

Weld Penetration Defects and Streamlining of Measurement and Inspection -

Solutions for Problems in Form Observation and Analysis in Metallic Corrosion Test -

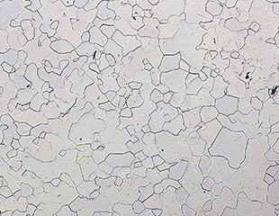
Industrial Standards for and Quantitative Evaluation of Metal Structure Grain Size Analysis -

Causes, Measurement, and Evaluation of Cast Holes and Other Casting Defects in Die-Casting -

Optimising the Measurement and Evaluation of Graphite Nodularity -

Causes of Pressing Defects (Burrs, Dents) and Observation of Defects and Cut Sections (Fracture Surfaces) -

Optimising the Observation of Screw Defects (Dents, Scratches, Cracks, and Curvature) -

Observation and Analysis of Sand Casting -

Cutting Tool Types and Observation and Inspection Using a Digital Microscope -

Observation and Measurement of Coatings with a Digital Microscope

