Industries automobile et aérospatiale
-

Observation et mesure de composants hydrauliques au microscope numérique -

Observation et mesure de pièces frittées au microscope numérique -

Observation et mesure de surfaces texturées au microscope numérique -

Observation et mesure de composants de véhicule électrique (EV) au microscope numérique -

Observation et mesure de moules et matrices au microscope numérique -

Observation et inspection du procédé de polissage avec un microscope numérique -

Faciès de rupture et analyse de défaillance métallurgique -

Analyse de la contamination et classe de propreté de composants automobiles conformément aux normes industrielles -

Évaluation quantitative de l’usure et de la durée de vie des outils -

Méthodes d’analyse métallographique -

Défauts de pénétration de soudure et rationalisation de la mesure et du contrôle -

Solutions pour l'observation et l’analyse lors d’essais de corrosion métallique -

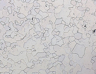
Détermination de la taille de grains d'une structure métallique selon les normes industrielles -

Causes, mesure et évaluation de la porosité et autres défauts de moulage sous pression -

Optimisation de la mesure et de l'évaluation de la nodularité du graphite -

Causes des défauts de formage à la presse (bavures, renfoncements) et observation de défauts et de sections coupées (surfaces de rupture) -

Optimisation de l’observation des défauts de vis (renfoncements, rayures, fissures et courbures) -

Observation et analyse de moulages en sable -

Types d’outils de coupe, observation et contrôle avec un microscope numérique

